 
        _大.jpg)
autonics韩国奥托尼克斯接近开关PRD/PRDW系列
PRD系列圆柱形电感式接近开关有标准型和IO-Link通信型号可供选择。 接近开关具有远距离检测和出色的抗干扰性能,并配有专用传感器IC。 高性能圆柱形电感式接近开关有多种尺寸和检测距离可供选择,可用于需要非接触式检测金属物体的各种应用。 接近开关还具有应力消除线缆,以提高弯曲强度和耐用性。
autonics韩国奥托尼克斯接近开关PRD/PRDW系列
产品型号:
| PRD12-4DN | PRD12-4DP | 
| PRD12-4DN2 | PRD12-4DP2 | 
| PRD12-8DN | PRD12-8DP | 
| PRD12-8DN2 | PRD12-8DP2 | 
| PRD18-7DN | PRD18-7DP | 
| PRD18-7DN2 | PRD18-7DP2 | 
| PRD18-14DN | PRD18-14DP | 
| PRD18-14DN2 | PRD18-14DP2 | 
| PRD30-15DN | PRD30-15DP | 
| PRD30-15DN2 | PRD30-15DP2 | 
| PRD30-25DN | PRD30-25DP | 
| PRD30-25DN2 | PRD30-25DP2 | 
| PRDL12-4DN | PRDL12-4DP | 
| PRDL12-4DN2 | PRDL12-4DP2 | 
| PRDL12-8DN | PRDL12-8DP | 
| PRDL12-8DN2 | PRDL12-8DP2 | 
| PRDL30-15DN | PRDL30-15DP | 
| PRDL30-15DN2 | PRDL30-15DP2 | 
| PRDL30-25DN | PRDL30-25DP | 
| PRDL30-25DN2 | PRDL30-25DP2 | 
| PRDW12-4DN | PRDW12-4DP | 
| PRDW12-4DN2 | PRDW12-4DP2 | 
| PRDW12-8DN | PRDW12-8DP | 
| PRDW12-8DN2 | PRDW12-8DP2 | 
| PRDW18-7DN | PRDW18-7DP | 
| PRDW18-7DN2 | PRDW18-7DP2 | 
| PRDW18-14DN | PRDW18-14DP | 
| PRDW18-14DN2 | PRDW18-14DP2 | 
| PRDW30-15DN | PRDW30-15DP | 
| PRDW30-15DN2 | PRDW30-15DP2 | 
| PRDW30-25DN | PRDW30-25DP | 
| PRDW30-25DN2 | PRDW30-25DP2 | 
| PRDWL12-4DN | PRDWL12-4DP | 
| PRDWL12-4DN2 | PRDWL12-4DP2 | 
| PRDWL12-8DN | PRDWL12-8DP | 
| PRDWL12-8DN2 | PRDWL12-8DP2 | 
| PRDWL30-15DN | PRDWL30-15DP | 
| PRDWL30-15DN2 | PRDWL30-15DP2 | 
| PRDWL30-25DN | PRDWL30-25DP | 
| PRDWL30-25DN2 | PRDWL30-25DP2 | 
产品特点:
*可以实现远距离检测
*采用专用IC,提高抗干扰性能
*内置浪涌保护,电源反接保护和过电流保护电路
*寿命长,可靠性高,操作简单,经济实惠
*红色LED状态指示灯,易于识别运行状态
*IP 67的防护等级(IEC规格)
*可以替代微动开关或限位开关广泛使用
产品应用:
*位液检测(电容式)
*检测包装盒中的牛奶有/无(电容式)
*检测瓶盖的有/无(电容式)
*检测带状物有/无(电容式)
*熔接位置定位
*电焊时工件定位
*检测螺丝数量
*检测通过的物体
*检测灌装品的不良品
*检测螺丝的高度
*打孔机定位控制
*金属体停止位控制
*检测物品的位置
*检测物体是否变形
*检测螺丝
autonics韩国奥托尼克斯接近开关PRD/PRDW系列
产品型号:
| PRD12-4DN | PRD12-4DP | 
| PRD12-4DN2 | PRD12-4DP2 | 
| PRD12-8DN | PRD12-8DP | 
| PRD12-8DN2 | PRD12-8DP2 | 
| PRD18-7DN | PRD18-7DP | 
| PRD18-7DN2 | PRD18-7DP2 | 
| PRD18-14DN | PRD18-14DP | 
| PRD18-14DN2 | PRD18-14DP2 | 
| PRD30-15DN | PRD30-15DP | 
| PRD30-15DN2 | PRD30-15DP2 | 
| PRD30-25DN | PRD30-25DP | 
| PRD30-25DN2 | PRD30-25DP2 | 
| PRDL12-4DN | PRDL12-4DP | 
| PRDL12-4DN2 | PRDL12-4DP2 | 
| PRDL12-8DN | PRDL12-8DP | 
| PRDL12-8DN2 | PRDL12-8DP2 | 
| PRDL30-15DN | PRDL30-15DP | 
| PRDL30-15DN2 | PRDL30-15DP2 | 
| PRDL30-25DN | PRDL30-25DP | 
| PRDL30-25DN2 | PRDL30-25DP2 | 
| PRDW12-4DN | PRDW12-4DP | 
| PRDW12-4DN2 | PRDW12-4DP2 | 
| PRDW12-8DN | PRDW12-8DP | 
| PRDW12-8DN2 | PRDW12-8DP2 | 
| PRDW18-7DN | PRDW18-7DP | 
| PRDW18-7DN2 | PRDW18-7DP2 | 
| PRDW18-14DN | PRDW18-14DP | 
| PRDW18-14DN2 | PRDW18-14DP2 | 
| PRDW30-15DN | PRDW30-15DP | 
| PRDW30-15DN2 | PRDW30-15DP2 | 
| PRDW30-25DN | PRDW30-25DP | 
| PRDW30-25DN2 | PRDW30-25DP2 | 
| PRDWL12-4DN | PRDWL12-4DP | 
| PRDWL12-4DN2 | PRDWL12-4DP2 | 
| PRDWL12-8DN | PRDWL12-8DP | 
| PRDWL12-8DN2 | PRDWL12-8DP2 | 
| PRDWL30-15DN | PRDWL30-15DP | 
| PRDWL30-15DN2 | PRDWL30-15DP2 | 
| PRDWL30-25DN | PRDWL30-25DP | 
| PRDWL30-25DN2 | PRDWL30-25DP2 | 
产品规格表:

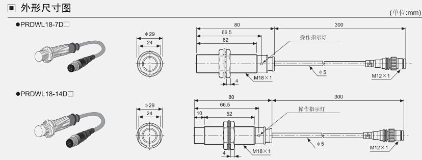
产品尺寸图:


